一、输送原理及特点
埋刮板输送机是输送粉尘状、小颗粒及块状等散状物料的连续输送设备,可以水平、倾斜和垂直输送。
散料具有内摩擦力和侧压力等特性。水平输送时,物料受到刮板链条在运动方向的推力,当料层间的内摩擦力大于物料与槽壁间的外摩擦力时,物料就随着刮板链条向前运动。在料层高度与机槽宽度之比值满足一定的条件时,料流是稳定的。
垂直输送时,主要依赖物料所具有的起拱特性。封闭机槽内的物料在受到刮板链条在运动方向的推力,且受到下部不断给料而阻止上部物料下滑的阻力时,产生横向侧压力,从而增加物料的内摩擦力,当物料之间的内摩擦力大于物料和槽壁间的外摩擦力及物料自重时,物料就随刮板链条向上输送,形成连续料流。由于刮板链条在运动中有振动,有些物料的料拱会时而被破坏,时而形成,因而使物料在输送过程中对于链条产生一种滞后现象,影响输送能力。
二、应用范围及选用原则
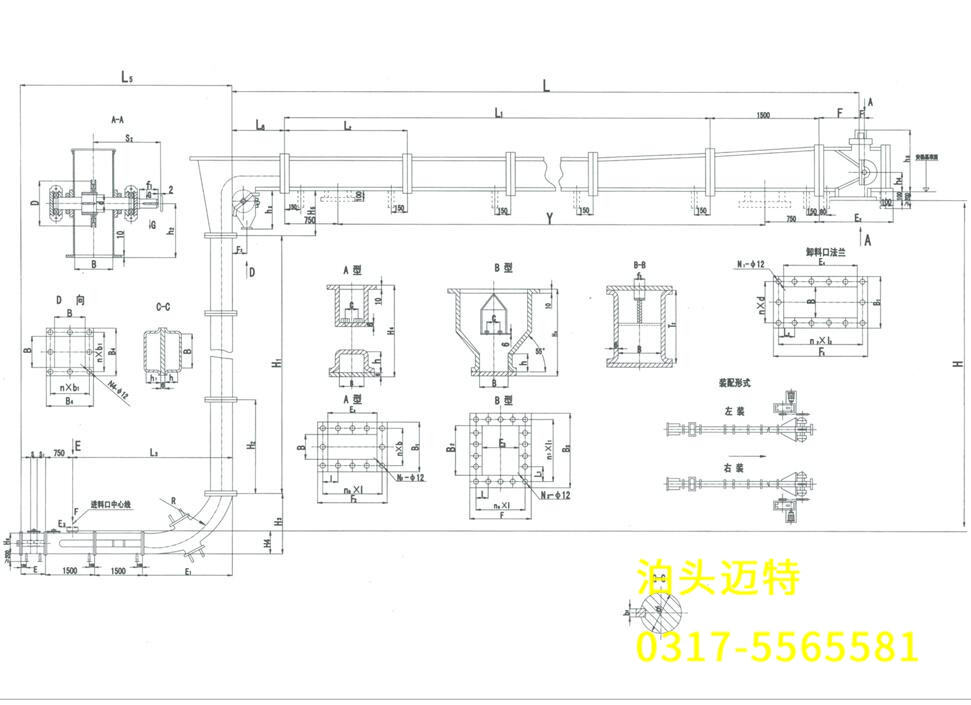
埋刮板输送机主要由封闭断面的壳体(机槽)、刮板链条、驱动装置及张紧装置等部件组成。设备结构简单、体积小、密封性能好、安装维修比较方便;能多点加料、多点卸料,工艺选型及布置较为灵活;在输送飞扬性、有毒、高温、易燃易爆的物料时,可改善工作条件,减少环境污染。埋刮板输送机已被广泛应用于化工、建材、冶金、电力、粮食、轻工和交通等部门。
埋刮板输送机对物料有下列要求:
(1)物料松散密度:ρ=0.2~2.5t/m3
(2)物料温度:一般机型适用物料温度小于120℃;热料型输送物料的温度为100~450℃,瞬时物料温度允许达到800℃。
(3)含水率:含水率与物料的料度、粘度有关,一般应以手捏成团撒手后仍能松散为度。
(4)物料粒度:见表1-1。


